Home
Design and Solution
Production
About Us
Contact
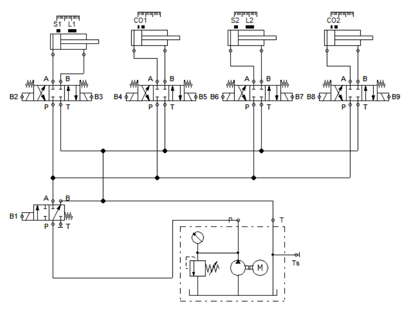
Hydraulic Watertight Hatch
Home
Production
Hydraulic Watertight Hatch
Web Design
Eleska
Nauen Boat
You can learn all the details by calling us 24/7.
+90552 426 44 27